El contenido a continuación está en inglés

High-performance stepper motor offers superior performance with a non-backlash Harmonic (HG) gear, high permissible torque, highest accuracy, high resolution, backlash free performance and ultra-smooth low-speed rotation. Motor has strain relief and covered lead wire assembly.
  • Encoder model
  • DC Driver input type motor only


 

Unit of Measure

Frame Size

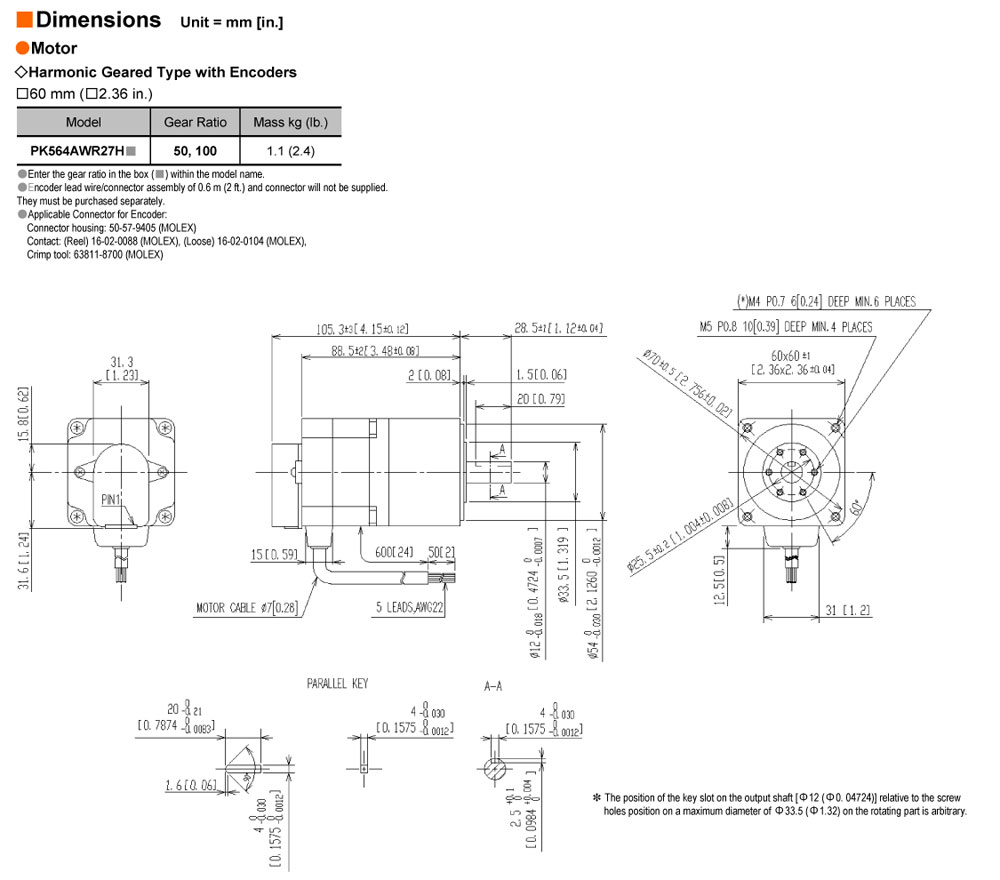
- 2.36 in60 mm

Motor Length

- 3.48 in.88.5 mm

Basic Step Angle

- 0.72°

Speed-Torque Characteristics

-
Speed-Torque Characteristics

Holding Torque

- 768 oz-in5.5 N·m

Current per Phase

- 1.40 A/phase

Type

- Geared

Shaft/Gear Type

- Harmonic Gear

Gear Ratio (X:1)

- 50 :1

Gear Type

- Harmonic, Non Backlash (0 arc min), Centered Shaft

Motor Connection Type

- Flying Leads

Shaft

- Single

Step Angle

- 0.0144 °

Connection Type

- New Pentagon (Bipolar)

Lead Wires

- 5

Rotor Inertia

- 1.15 oz-in²210×10-7 kg·m²

Lost Motion

- 0.7 arc min max.

RoHS Compliant

- Yes

Safety Standards

- EN CE

Insulation Resistance

- 100 M Ω minimum under normal temperature and humidity, when measured by a 500 VDC megger between the windings and the motor casing.

Dielectric Strength

- Sufficient to withstand 1.5 kV, 50 Hz or 60 Hz applied for 1 minute between the windings and casing under normal temperature and humidity.

Temperature Rise

- Temperature rise of the coil measured by the Change Resistance Method is 176°F (80°C) or less (at rated current, at standstill, five phases energized).

Insulation Class

- [Motor] Class B [266°F (130°C)]

Ambient Temperature Range

- [Motor] 32°F ~ 104°F (0°C ~ 40°C) (nonfreezing)

Ambient Humidity

- 85% or less (noncondensing)

Shaft Runout

- 0.002 in. (0.05 mm) T.I.R. at top of output shaft

Concentricity

- 0.003 in. (0.075 mm) T.I.R.

Perpendicularity

- 0.003 in. (0.075 mm) T.I.R.

Radial Play

- 0.001 in. (0.025 mm) max. of 1.12 lb. (5 N)

Axial Play

- 0.003 in. (0.075 mm) max. of 2.2 lb. (10 N)

Radial Load

- 0 in. from Shaft End = 72 lb0.2 in. from Shaft End = 83 lb0.39 in. from Shaft End = 99 lb0.59 in. from Shaft End = 123 lb0.79 in. from Shaft End = 162 lb0 mm from Shaft End = 320 N5 mm from Shaft End = 370 N10 mm from Shaft End = 440 N15 mm from Shaft End = 550 N20 mm from Shaft End = 720 N

Axial Load

- 101 lb450 N

Encoder Type

- Incremental

Output

- 3-Channel A, B, Index

Input Current (mA)

- 55 (Typ.)

Input Voltage (V)

- 5

Output Type

- TTL

Output Voltage (Low)

- 0.5 VDC, 8 mA

Output Voltage (High)

- 2.0 VDC, –8 mA

Response Frequency (kHz)

- 300 (Max.)


 


 


 


 

©2017 - ORIENTAL MOTOR USA CORP. - Todos los Derechos Reservados