CAD / Manual Search
To locate product CAD and Operator Manuals please search using the product Item Number.
Oriental Motor offers a wide range of motion control products to meet a wide range of applications, select the appropriate application type below.

We're Here to Help
Business Hours - Monday to Friday, 8:30am EST to 5:00pm PST


U.S.A. Customers:
Customer Service - 1-800-418-7903
Tech Support – 1-800-GO-VEXTA (468-3982)
International Customers:
+1-847-871-5931 or
+1-310-715-3303
For Japanese:
1-800-746-6872 or
+1-310-715-3303
1-800-GO-VEXTA (468-3982)
This product has been discontinued. Please contact your local sales office for more information.
Lead Time
Available to Ship1 | - This product has been discontinued. Please contact your local sales office for more information. |
Specifications
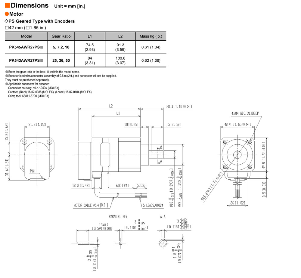
Product Line |
- VEXTA ® |
Motor Type |
- 5-Phase |
Motor Frame Size |
- 1.65 in. sq. |
Shaft |
- Single |
Shaft/Gear Type |
- Planetary Gear |
Gear Ratio (X:1) |
- 25 :1 |
Lead Wires |
- 8 |
Current per Phase (A/phase) |
- 0.75 |
Step Angle |
- 0.0288 ° |
Rotor Inertia (oz-in2) |
- 0.191 oz-in2 |
Maximum Holding Torque (lb-in) |
- 350 |
RoHS Compliant |
- Yes |
Safety Standards |
- UL CSA EN CE |
Insulation Resistance |
- 100 M Ω minimum under normal temperature and humidity, when measured by a 500 VDC megger between the windings and the motor casing. |
Dielectric Strength |
- Sufficient to withstand 1.0 kV, 50 Hz or 60 Hz applied for 1 minute between the windings and casing under normal temperature and humidity. |
Temperature Rise |
- Temperature rise of the coil measured by the Change Resistance Method is 176°F (80°C) or less (at rated current, at standstill, five phases energized). |
Insulation Class |
- [Motor] Class B [266°F (130°C)] [Recognized as Class A 221°F (105°C) by UL standard] |
Ambient Temperature Range |
- [Motor] 14°F ~ 122°F (-10°C ~ 50°C) (nonfreezing) |
Ambient Humidity |
- 85% or less (noncondensing) |
Shaft Runout |
- 0.002 in. (0.05 mm) T.I.R. at top of output shaft |
Concentricity |
- 0.003 in. (0.075 mm) T.I.R. |
Perpendicularity |
- 0.003 in. (0.075 mm) T.I.R. |
Radial Play |
- 0.001 in. (0.025 mm) max. of 1.12 lb. (5 N) |
Axial Play |
- 0.003 in. (0.075 mm) max. of 2.2 lb. (10 N) |
-
1 Quoted Ship Date for orders placed before 12:00pm PST in quantities listed.
A newer version of this product is available, contact your local sales office for more information.