CAD / Búsqueda Manual
Para encontrar CAD y Manuales de Operador de nuestros products, por favor realice la búsqueda usando el número de item
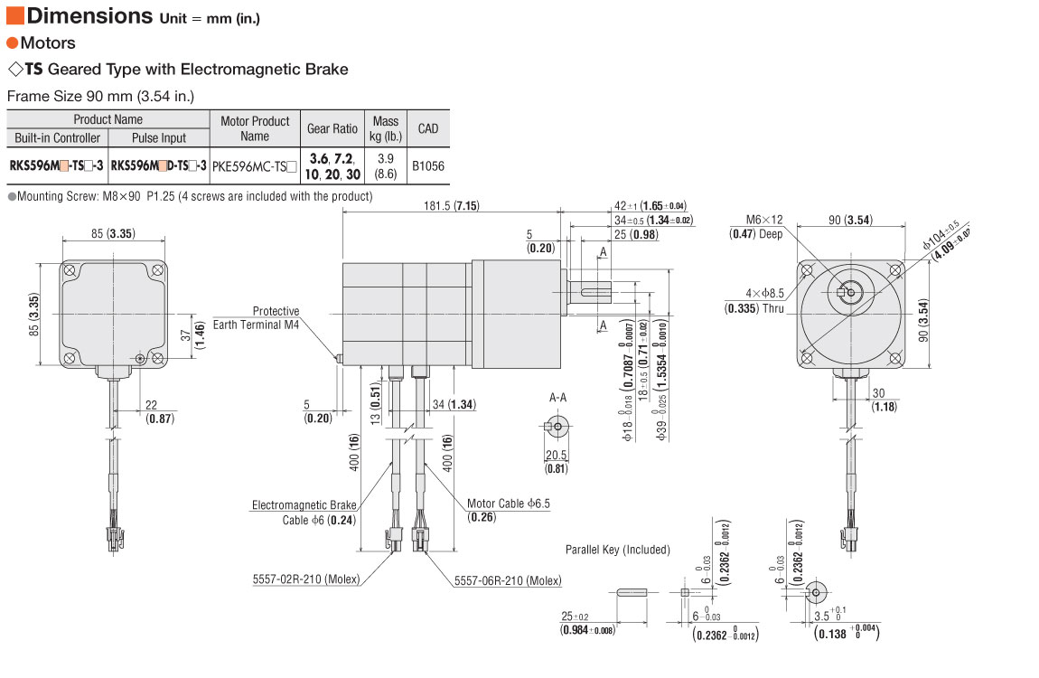
![]()
Para Inglés o Español:
Para japonés:
Clientes de Mexíco:
Servicio Al Cliente - +001-847-871-5931
Soporte técnico - 01-800-681-5309
Clientes Internacionales:
+1-847-871-5931 o
+1-310-715-3304
Para soporte en productos del catálogo japonés:
1-800-746-6872 o
+1-310-715-3304
El contenido a continuación está en inglés
- Constant Duty
- Low Noise, Low Vibration
Compatible Motors
Compatible Motors
Insulation Resistance (Motor) |
-
100 M Ω or more when 500 VDC megger is applied between the following places: Case - Motor windings |
Dielectric Strength (Motor) |
-
Sufficient to withstand the following for 1 minute: Case - Motor windings 1.5 kVAC 50 Hz or 60 Hz Case - Electromagnetic brake windings 1.5 kVAC 50 Hz or 60 Hz |
Degree of Protection |
- IP20 |
Ambient Temperature Range |
- +14 ~ +122°F (-10 ~ +50°C) (non-freezing) |
Ambient Humidity |
- 85% or less (non-condensing) |
Operating Atmosphere |
- No corrosive gases, dust. Avoid contact with water or oil. |
Temperature Rise |
- Temperature rise of the windings is 176°F (80°C) or less. Measured at rated current, at standstill, five phases energized measured (by resistance change method). |
Shaft Runout |
- 0.002 in (0.05 mm) T.I.R. |
Concentricity |
- 0.003 in. (0.075 mm) T.I.R. |
Perpendicularity |
- 0.003 in. (0.075 mm) T.I.R. |
Stop Position Accuracy |
- ±3 arc minutes (±0.05°) |
|
|
|
|
|
|
|
|



































