CAD / Búsqueda Manual
Para encontrar CAD y Manuales de Operador de nuestros products, por favor realice la búsqueda usando el número de item
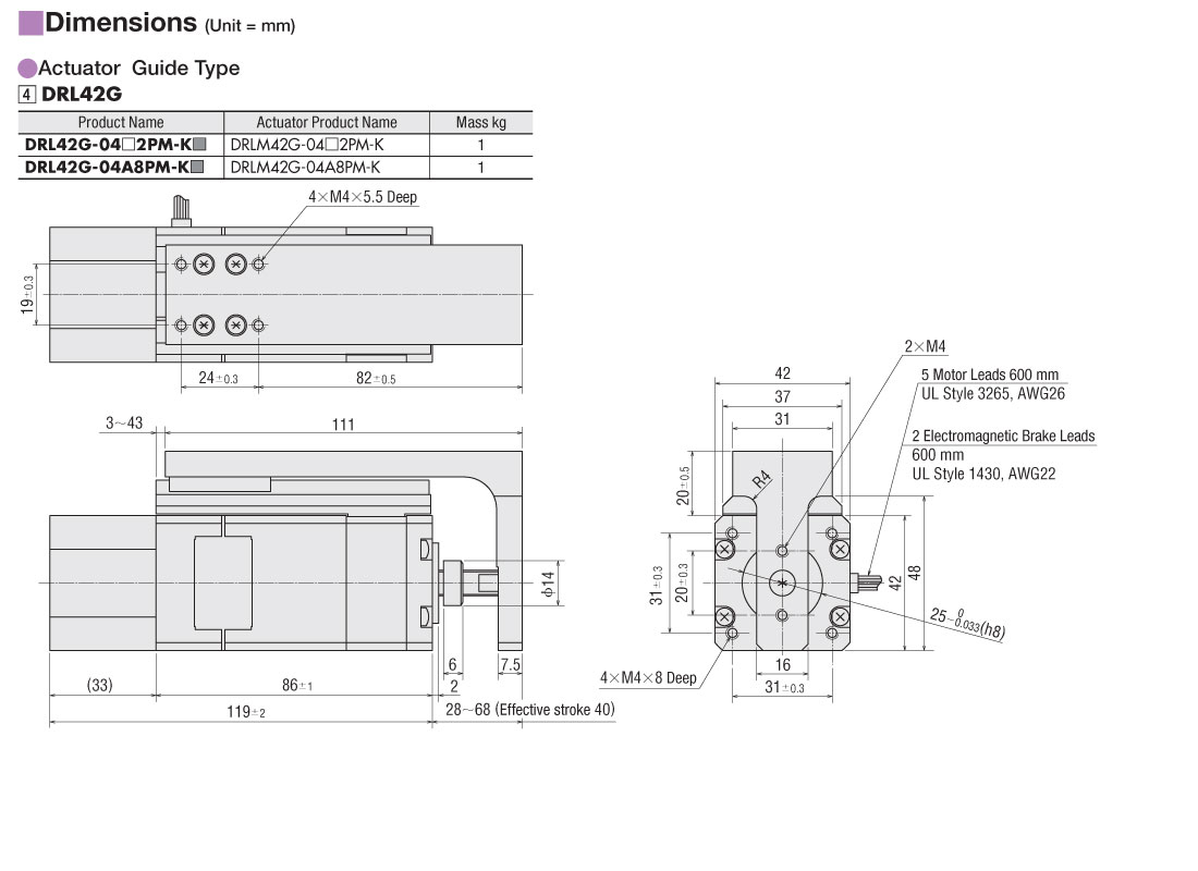
![]()
Para Inglés o Español:
Para japonés:
Clientes de Mexíco:
Servicio Al Cliente - +001-847-871-5931
Soporte técnico - 01-800-681-5309
Clientes Internacionales:
+1-847-871-5931 o
+1-310-715-3304
Para soporte en productos del catálogo japonés:
1-800-746-6872 o
+1-310-715-3304
El contenido a continuación está en inglés
- Low Vibration
- High Positioning Accuracy
- Reliable Design and Structure
Motor Type |
- Compact Linear Actuator |
Actuator Frame Size |
- 1.65 in.42 mm |
Drive Method |
- Rolled Ball Screw |
Repetitive Positioning Accuracy |
- ±0.00039 in.±0.01 mm |
Lost Motion |
- 0.00197 in. 0.05 mm |
Power Supply |
- 24 VDC |
Current |
- 1.4 A |
Type |
- Standard |
Guide |
- Equipped |
Electromagnetic Brake |
- Equipped |
Adjusting Knob |
- Not Equipped |
Lead |
- 0.31 in.8 mm |
Stroke |
- 1.57 in.40 mm |
Actuator Connection Type |
- Lead Wire |
Lead Wires |
- 5 |
Max. Vertical Transportable Mass |
- 6.60 lb3 kg |
Max. Horizontal Transportable Mass |
- 4.40 lb2 kg |
Max. Speed |
- 4.72 in/s120 mm/s |
Max. Thrust Force |
- 6.74 lb30 N |
Max. Holding Force |
- 6.74 lb30 N |
Resolution |
- 0.0006 in. 0.016 mm |
Components |
-
DRLM42G-04A8PM-K [Actuator] LRD507-K [Driver] |
RoHS Compliant |
- These products do not contain substances that exceed the regulation values in the RoHS Directive. |
Safety Standards |
- CE |
Insulation Resistance |
-
[Actuator] 100 MΩ or more when 500 VDC megger is applied between the motor windings and case. [Driver] The measured value is 100 MΩ or more when a 500 VDC megger is applied between the FG Terminal - Power Input Terminal. |
Dielectric Strength |
- [Actuator] Sufficient to withstand 1.0 kV at 50 Hz or 60 Hz applied between the motor windings and case for 1 minute. |
Ambient Temperature Range |
- 32°F ~ 104°F (0°C ~ 40°C) (nonfreezing) |
Ambient Humidity |
- 85% or less (noncondensing) |
|
|
|
|
|
|
|
|


































