CAD / Búsqueda Manual
Para encontrar CAD y Manuales de Operador de nuestros products, por favor realice la búsqueda usando el número de item
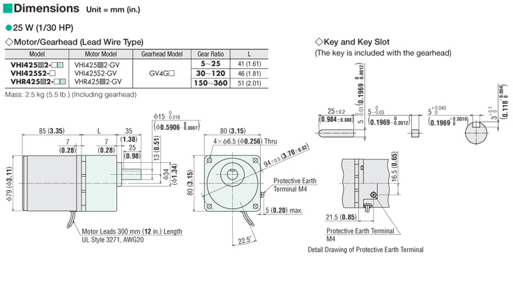
![]()
Para Inglés o Español:
Para japonés:
Clientes de Mexíco:
Servicio Al Cliente - +001-847-871-5931
Soporte técnico - 01-800-681-5309
Clientes Internacionales:
+1-847-871-5931 o
+1-310-715-3304
Para soporte en productos del catálogo japonés:
1-800-746-6872 o
+1-310-715-3304
El contenido a continuación está en inglés
This product is scheduled to be discontinued, please contact your local sales office for more information.
Compatible Motors (sold separately)
Unit of Measure
Specifications
Product Line |
- Oriental Motor ® |
Motor Type |
- Induction |
Frame Size |
- 3.15 in80 mm |
Output Power |
- 25 W (1/30 HP) |
Voltage (VAC) |
- Single-Phase 110/115 VAC |
Frequency (Hz) |
- 60 |
Current |
- 0.46 A |
Shaft/Gear Type |
- Pinion Shaft (Gearhead required - sold separately) |
Type |
- Lead Wire |
RoHS Compliant |
- Yes |
Safety Standards |
- UL CSA CCC EN CE |
CE Marking |
- Low Voltage Directives |
Insulation Resistance |
- 100 M Ω or more when 500 VDC is applied between the windings and the frame after rated motor operation under normal ambient temperature and humidity. |
Dielectric Strength |
- Sufficient to withstand 1.5 kV at 50 Hz or 60 Hz applied between the windings and the frame for 1 minute after rated motor operation under normal ambient temperature and humidity. |
Temperature Rise |
- Temperature rise of windings are 176°F (80°C) or less measured by the resistance change method after rated motor operation with connection to gearhead. |
Insulation Class |
- Class B (266°F [130°C]) |
Overheat Protection |
- Built-in thermal protector (Automatic return type). Operating temperature, open: 266°F ± 9°F (130°C ± 5°C) close: 179.6°F ± 27°F (82°C ± 15°C) |
Ambient Temperature Range |
- 14°F ~ 104°F (-10°C ~ 40°C) (nonfreezing) |
Ambient Humidity |
- 85% maximum (noncondensing) |
Degree of Protection |
- IP20 |





























